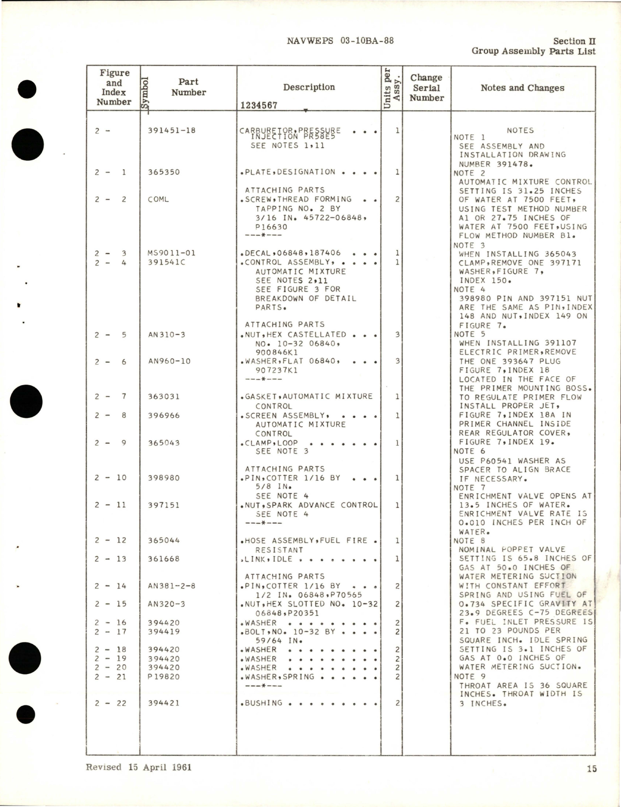
Document Description

Illustrated Parts Breakdown for Injection Carburetor - Model PR-58E5 , NAVWEPS 03-10BA-88, 15-April-1961

Document Part Number

NAVWEPS 03-10BA-88

Document Revision Date

15-April-1961

Already a Member?

Sign in to read this full document


Become a member

To access this and thousands of other manuals, plus over 400,000 warbird engineering drawings!

JOIN NOW


Don't want to join?

No problem - Click below to purchase a digital download of this manual from our storefront!

PURCHASE NOW

Sample Page: 1 of 4