Document Description

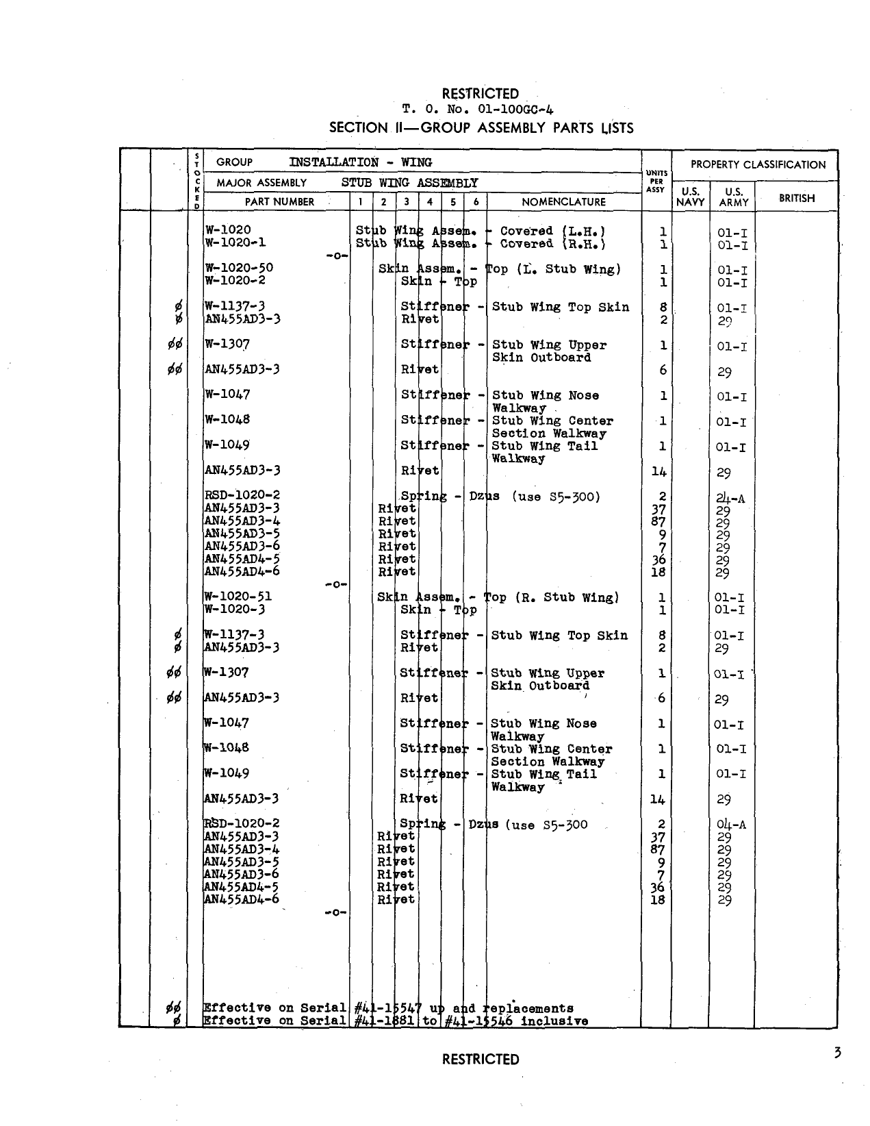
Parts Catalog for PT-22 Airplanes, T.O. No. 01-100GC-4, 25-Sept-1943

Document Part Number

T.O. No. 01-100GC-4

Document Revision Date

25-Sept-1943

Already a Member?

Sign in to read this full document


Become a member

To access this and thousands of other manuals, plus over 400,000 warbird engineering drawings!

JOIN NOW


Don't want to join?

No problem - Click below to purchase a digital download of this manual from our storefront!

PURCHASE NOW

Sample Page: 1 of 5